more
RFG 片式微波负载电阻
RFA 片式微波衰减电阻
RFN 片式微波负载电阻ALN
RFO 5W片式微波负载电阻
RFG 贴片微波负载电阻
RFN 贴片微波负载电阻AlN
MWRC 带帽柱状负载电阻
RFA0919衰减片
RIG大功率玻璃釉膜电阻器
RYG大功率氧化膜电阻器
RYS2型金属氧化膜水冷电阻
more
地址: 南京浦口高新开发区高科二路七号
邮编: 210038
电话: 025—85352184
传真: 025—85352194
电子邮箱:suzylyp@163.com
首页>> 产品展示>> RFG 片式微波负载电阻
RFG 片式微波负载电阻
  产品说明

 

 

RFG片式微波电阻器

RFG Chip microwave resistors

特征 featires

终端负载电阻器,使用在具有高功耗的高频电路中,安装在适当的散热器上,在高频功率下具有低的驻波比。

These high power devices are designed to dissipate power in R.f.Circuits when mounted to an appropriate heat sink. The terminatons provide a low VSWR under maximum power condition.

      材料

基片:   氧化铍           Substrate:Berylium Oxide ceramic

盖板:   氧化铝           Cover:Alumina ceramic

导电膜: 厚膜             Resistive element:Thick film

引出带: 镀锡(银,金)铜带 Terminal tensile:Copper Sn (Ag  Au)

散热片: 铜镀镍           Mounting flange:Copper of planting nickel

●技术说明 TECHNICAL SPECIFICATIONS

标称阻值                               50Ω              

阻值精度                               ±2%              

工作频率                               DC-3GHz             

驻波比                                 1.15:1

工作温度(Work temperature)                  -55~125℃      

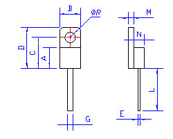
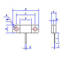
      尺寸 Size

RFGL

     

 ● 外形尺寸 DIMENSIONS

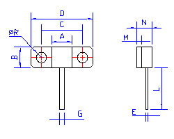
RFGT

     

外形尺寸 DIMENSIONS

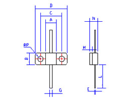
RFGX

     

 ●外形尺寸 DIMENSION

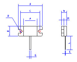
RFGI

   

 ● 外形尺寸 DIMENSIONS

RFGC

   

   

●外形尺寸 DIMENSIONS

 

 

 > 设为主页 > 加人收藏 版权所有©2009 南京先正科技有限公司 网络支持:顶端科技 备案号: