RFA片式微波衰减电阻
RFA Chip microwave Attenuators
● 特征及应用Function and Application
专用于减小所通过传输信号幅度的器件。
Dedicated to reduce the signal amplitude through the transmission device。
● 材料 MATERIALS
|
基片: 氧化铍 Substrate:Berylium/Alumina Oxide ceramic |
|
盖板: 氧化铝 Cover:Alumina ceramic |
|
导电膜:厚膜 Resistive element:Thick film |
|
引出带: 镀锡(银、金)铜带 Terminal tensile:Copper plated Sn or Ag or Au |
|
散热片:镀镍紫铜 Mounting flange:Copper nickel plated |
●技术说明 TECHNICAL SPECIFICATIONS
|
衰减值(value in decibels) 1-30db |
|
衰减精度(tolerance) ≤6db:±0.5dB 6~10db:±0.7dB ≥10db:±1dB |
|
工作频率(Frequency) DC-2.5GHz |
|
驻波比(VSWR) 1.2:1 |
|
工作温度(Work temperature) -55~125℃ |
◆尺寸 SIZE
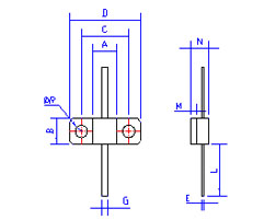
● RFA0609型 BEO
注:靠RFA字母端为输入,另一端数字为输出。
■ 外形尺寸 DIMENSIONS

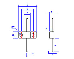
●RFAO0606 型 BEO
■ 外形尺寸 DIMENSIONS

注:靠RFA字母端为输入,另一端数字为输出。