RFN片式微波电阻器AlN
RFN Chip microwave resistors AlN
● 特征 features
终端负载电阻器,使用在具有高功耗的高频电路中,安装在适当的散热器上,在高频功率下具有低的驻波比。 该产品符合环保RoHS要求。
These high power devices are designed to dissipate power in R.f.Circuits when mounted to an appropriate heat sink. The terminatons provide a low VSWR under maximum power condition. RoHS conformity with the requirements of environmental protection.
● 材料
|
基片: 氮化铝 Substrate:AlN ceramic |
|
盖板: 氧化铝 Cover:Alumina ceramic |
|
导电膜: 厚膜 Resistive element: Thick film |
|
引出带: 镀锡(银 金)铜带 Terminal tensile:Copper Sn (Ag Au) |
|
散热片: 铜镀镍 Mounting flange:Copper of planting nickel |
●技术说明 TECHNICAL SPECIFICATIONS
|
标称阻值 (Resistance value) 50Ω |
|
阻值精度 (Resistance tolerance) ±2% |
|
工作频率 (Frequency) DC-3GHz |
|
驻波比 (VSWR) 1.15:1 |
|
工作温度 (Work temperature) -55~ 125℃ |
● 尺寸 Size
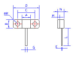
● RFNL型

● 外形尺寸 DIMENSIONS

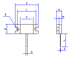
● RFNT型

● 外形尺寸 DIMENSIONS

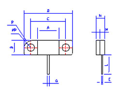
●RFNC型


● 外形尺寸 DIMENSIONS

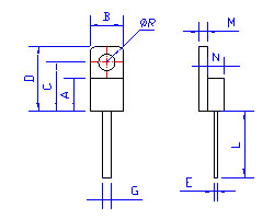
●RFNI型

● 外形尺寸 DIMENSIONS
